Circuit Diagram Of Integrated . The following diagram conveys the basic structure of an integrated circuit. All of them work together to. The die is a piece of. they are built on a small single block or chip of a semiconductor known as an integrated circuit (ic). in simple words, integrated circuits are the integration of active components(transistors) and passive. what’s in an ic? An integrated circuit, or ic, is a complete electronic circuit contained in one package, figure 1. integrated circuits are used in a wide range of electronic devices, including computers, smartphones, and televisions, to perform. the schematic of an integrated circuit is a diagram that describes the layout of the chips’ transistors,.
from www.seekic.com
they are built on a small single block or chip of a semiconductor known as an integrated circuit (ic). The die is a piece of. the schematic of an integrated circuit is a diagram that describes the layout of the chips’ transistors,. An integrated circuit, or ic, is a complete electronic circuit contained in one package, figure 1. The following diagram conveys the basic structure of an integrated circuit. All of them work together to. in simple words, integrated circuits are the integration of active components(transistors) and passive. integrated circuits are used in a wide range of electronic devices, including computers, smartphones, and televisions, to perform. what’s in an ic?
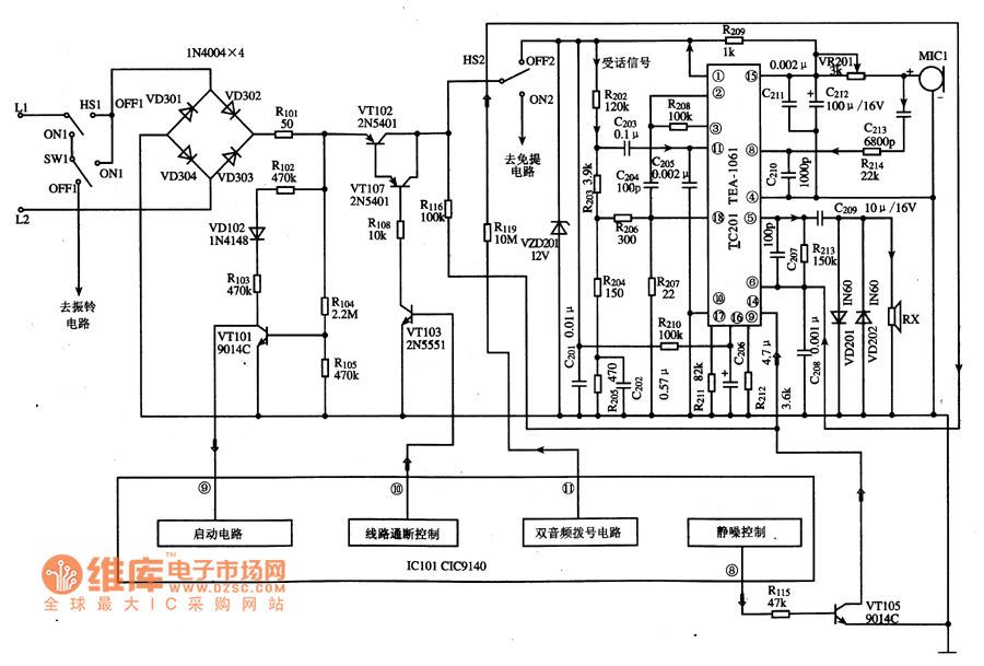
TEA1061 calling integrated circuit diagram Basic_Circuit Circuit
Circuit Diagram Of Integrated they are built on a small single block or chip of a semiconductor known as an integrated circuit (ic). An integrated circuit, or ic, is a complete electronic circuit contained in one package, figure 1. integrated circuits are used in a wide range of electronic devices, including computers, smartphones, and televisions, to perform. in simple words, integrated circuits are the integration of active components(transistors) and passive. The die is a piece of. All of them work together to. the schematic of an integrated circuit is a diagram that describes the layout of the chips’ transistors,. The following diagram conveys the basic structure of an integrated circuit. what’s in an ic? they are built on a small single block or chip of a semiconductor known as an integrated circuit (ic).
From manuallibraryworrying.z14.web.core.windows.net
Integrated Circuit Block Diagram Circuit Diagram Of Integrated An integrated circuit, or ic, is a complete electronic circuit contained in one package, figure 1. The die is a piece of. what’s in an ic? All of them work together to. in simple words, integrated circuits are the integration of active components(transistors) and passive. The following diagram conveys the basic structure of an integrated circuit. they. Circuit Diagram Of Integrated.
From www.seekic.com
TEA1061 calling integrated circuit diagram Basic_Circuit Circuit Circuit Diagram Of Integrated The following diagram conveys the basic structure of an integrated circuit. in simple words, integrated circuits are the integration of active components(transistors) and passive. the schematic of an integrated circuit is a diagram that describes the layout of the chips’ transistors,. An integrated circuit, or ic, is a complete electronic circuit contained in one package, figure 1. Web. Circuit Diagram Of Integrated.
From fixfixdoreen.z19.web.core.windows.net
Integrated Circuit Block Diagram Circuit Diagram Of Integrated integrated circuits are used in a wide range of electronic devices, including computers, smartphones, and televisions, to perform. The die is a piece of. All of them work together to. they are built on a small single block or chip of a semiconductor known as an integrated circuit (ic). The following diagram conveys the basic structure of an. Circuit Diagram Of Integrated.
From alchetron.com
Three dimensional integrated circuit Alchetron, the free social Circuit Diagram Of Integrated they are built on a small single block or chip of a semiconductor known as an integrated circuit (ic). The following diagram conveys the basic structure of an integrated circuit. in simple words, integrated circuits are the integration of active components(transistors) and passive. integrated circuits are used in a wide range of electronic devices, including computers, smartphones,. Circuit Diagram Of Integrated.
From www.researchgate.net
Photo of the integrated circuit labeled to illustrate the general Circuit Diagram Of Integrated they are built on a small single block or chip of a semiconductor known as an integrated circuit (ic). An integrated circuit, or ic, is a complete electronic circuit contained in one package, figure 1. what’s in an ic? The following diagram conveys the basic structure of an integrated circuit. the schematic of an integrated circuit is. Circuit Diagram Of Integrated.
From www.circuitdiagram.co
Monolithic Integrated Circuit Diagram Circuit Diagram Circuit Diagram Of Integrated in simple words, integrated circuits are the integration of active components(transistors) and passive. the schematic of an integrated circuit is a diagram that describes the layout of the chips’ transistors,. An integrated circuit, or ic, is a complete electronic circuit contained in one package, figure 1. All of them work together to. what’s in an ic? Web. Circuit Diagram Of Integrated.
From www.pngwing.com
Electronic circuit Integrated circuit layout Printed circuit board Circuit Diagram Of Integrated what’s in an ic? An integrated circuit, or ic, is a complete electronic circuit contained in one package, figure 1. All of them work together to. they are built on a small single block or chip of a semiconductor known as an integrated circuit (ic). The die is a piece of. in simple words, integrated circuits are. Circuit Diagram Of Integrated.
From www.pinterest.com
Inside Integrated Circuits. Electronics projects, Electronic Circuit Diagram Of Integrated integrated circuits are used in a wide range of electronic devices, including computers, smartphones, and televisions, to perform. in simple words, integrated circuits are the integration of active components(transistors) and passive. what’s in an ic? An integrated circuit, or ic, is a complete electronic circuit contained in one package, figure 1. The following diagram conveys the basic. Circuit Diagram Of Integrated.
From circuitdbvolunteer.z19.web.core.windows.net
Integrated Circuit Block Diagram Circuit Diagram Of Integrated The die is a piece of. they are built on a small single block or chip of a semiconductor known as an integrated circuit (ic). integrated circuits are used in a wide range of electronic devices, including computers, smartphones, and televisions, to perform. The following diagram conveys the basic structure of an integrated circuit. All of them work. Circuit Diagram Of Integrated.
From www.researchgate.net
circuit integration diagram Download Scientific Diagram Circuit Diagram Of Integrated what’s in an ic? The following diagram conveys the basic structure of an integrated circuit. the schematic of an integrated circuit is a diagram that describes the layout of the chips’ transistors,. integrated circuits are used in a wide range of electronic devices, including computers, smartphones, and televisions, to perform. in simple words, integrated circuits are. Circuit Diagram Of Integrated.
From headcontrolsystem.com
Ic Circuit Diagram Headcontrolsystem Circuit Diagram Of Integrated what’s in an ic? the schematic of an integrated circuit is a diagram that describes the layout of the chips’ transistors,. integrated circuits are used in a wide range of electronic devices, including computers, smartphones, and televisions, to perform. in simple words, integrated circuits are the integration of active components(transistors) and passive. The die is a. Circuit Diagram Of Integrated.
From www.pngjoy.com
Circuit Board Vector Electrical Network Circuit Diagram Integrated Circuit Diagram Of Integrated they are built on a small single block or chip of a semiconductor known as an integrated circuit (ic). the schematic of an integrated circuit is a diagram that describes the layout of the chips’ transistors,. in simple words, integrated circuits are the integration of active components(transistors) and passive. All of them work together to. The following. Circuit Diagram Of Integrated.
From wiringengineabt.z19.web.core.windows.net
Diagram Of An Integrated Circuit Circuit Diagram Of Integrated they are built on a small single block or chip of a semiconductor known as an integrated circuit (ic). the schematic of an integrated circuit is a diagram that describes the layout of the chips’ transistors,. All of them work together to. what’s in an ic? An integrated circuit, or ic, is a complete electronic circuit contained. Circuit Diagram Of Integrated.
From www.seekic.com
TMP47C400RN Microwave/Oven Monolithic Micro Computer Control Integrated Circuit Diagram Of Integrated what’s in an ic? integrated circuits are used in a wide range of electronic devices, including computers, smartphones, and televisions, to perform. they are built on a small single block or chip of a semiconductor known as an integrated circuit (ic). An integrated circuit, or ic, is a complete electronic circuit contained in one package, figure 1.. Circuit Diagram Of Integrated.
From technologystudent.com
Integrated Circuits 2 Circuit Diagram Of Integrated All of them work together to. integrated circuits are used in a wide range of electronic devices, including computers, smartphones, and televisions, to perform. The following diagram conveys the basic structure of an integrated circuit. The die is a piece of. the schematic of an integrated circuit is a diagram that describes the layout of the chips’ transistors,.. Circuit Diagram Of Integrated.
From www.seekic.com
KA9256twoway power drive integrated circuit diagram Control_Circuit Circuit Diagram Of Integrated An integrated circuit, or ic, is a complete electronic circuit contained in one package, figure 1. the schematic of an integrated circuit is a diagram that describes the layout of the chips’ transistors,. integrated circuits are used in a wide range of electronic devices, including computers, smartphones, and televisions, to perform. The die is a piece of. Web. Circuit Diagram Of Integrated.
From www.circuitdiagram.co
Circuit Diagram Of Integrated Circuits And Systems Circuit Diagram Circuit Diagram Of Integrated The die is a piece of. An integrated circuit, or ic, is a complete electronic circuit contained in one package, figure 1. All of them work together to. the schematic of an integrated circuit is a diagram that describes the layout of the chips’ transistors,. they are built on a small single block or chip of a semiconductor. Circuit Diagram Of Integrated.
From www.seekic.com
The internal circuit diagram of 5G28 integrated operational amplifier Circuit Diagram Of Integrated what’s in an ic? An integrated circuit, or ic, is a complete electronic circuit contained in one package, figure 1. The die is a piece of. All of them work together to. in simple words, integrated circuits are the integration of active components(transistors) and passive. integrated circuits are used in a wide range of electronic devices, including. Circuit Diagram Of Integrated.